51单片机TFTLCD显示
TFT-LCD是薄膜晶体管液晶显示器英文thinfilmtransistor-liquidcrystal display 字头的缩写,TFT液晶为每一个像素都设了一个薄膜晶体管,也就是TFT,每一个像素可以通过点脉冲直接来控制,因而每一个节点都是相对独立的,并且可以连续的控制,不仅提高了显示屏的反应速度,同时可以精确控制显示的色阶,所以TFT色彩更真实,因此TFTLCD也叫真彩液晶显示器。
1.TFTLCD介绍
TFT-LCD是薄膜晶体管液晶显示器英文thinfilmtransistor-liquidcrystal display 字头的缩写,TFT液晶为每一个像素都设了一个薄膜晶体管,也就是TFT,每一个像素可以通过点脉冲直接来控制,因而每一个节点都是相对独立的,并且可以连续的控制,不仅提高了显示屏的反应速度,同时可以精确控制显示的色阶,所以TFT色彩更真实,因此TFTLCD也叫真彩液晶显示器。
常见的TFT液晶有很多种,有8位的,9位的,16位的,18位的,等等,我们用的比较多的是16位和8位,对于18位和9位比较偏,主要一个主流是16位和8位,因为16位正好对应两个字节,对于51单片机来说,可以通过两组端口来直接给数据口发送数据,如果说是8位的话,它可以通过一组端口来进行数据传输,如果是9位或者18位的所占据的IO口更多而且是一组端口所完成不了的,所以总线的位数比较偏的,常用的是8位和16位这两种。当然一些特殊的彩屏它也是有9位或者18位的。
这里的位数是表示的是彩屏的数据线的数量,像我们学习1602一样,DB0 - DB15或者 DB0 - DB7,8位或者16位,常用的通信模式主要有两种,一种是6800还有一种是8080,对于TFT来说,使用的是8080的并口模式,简称为80模式。
如果学习过1602或者12864读写时序的时候,发现它们有很多相似之处,读写时序是差不多的,80接口主要有5条基本控制线和多条的数据线,多条的数据线取决于我们使用彩屏的位数,比如说我使用的是8位的或者16位的,如果是8位的就是8条数据线,如果是16位的就有16条数据线,但是它们的基本控制线是一致的,比如说有5条。
RST:复位选择
低电平复位选择,高电平取消复位,当我们要对彩屏操作的时候,首先要对彩屏复位一下,然后取消复位,从而实现对应的显示。
CS:片选信号
低电平片选有效,高电平片选无效。要使用这个彩屏要选择它有效,因此需要给它低电平。
RS:控制命令选择
低电平选择命令,高电平选择数据,我们要对彩屏操作的时候,需要发送一系列命令,发送彩屏的控制器当中,然后才能让彩屏按照我们需要的设置来显示,比如彩屏内部控制器可以控制显示方向,从左往右显示,从上往下显示,这样的一个显示,需要发送对应的命令才能对它进行控制,又比如彩屏它能显示彩色,彩色主要由R G B三种颜色,通过三种颜色不同值的搭配,可以使彩屏显示不同的颜色,可以通过对应的命令是RGB顺序还是BGR顺序,也可以通过对应的命令来控制,所以我们要使用发送命令还是发送数据,要对RS引脚电平来控制。
RD:读的选择
低电平使用读取功能,高电平取消读的功能。
WR:写选择
低电平使用写的功能,高电平取消写的功能
对于8080模式来说,读写命令是分开的。
DB0 - DB8:数据线
9位的数据口,如果我们使用的是8位的,那么DB0 - DB7,如果使用的是16位的,那么DB0-DB15。
对于彩屏来说,它所占据的控制总线,控制线非常多的,比如说我们用51单片机来控制这个彩屏,可以看下管脚,RST、CS、RS、RD、RW这就有5个在加上总线口,最少有8位,那么就需要13个管脚,所以占据IO数比较多,对于16位来说,又要增加8个,控制线就更多了,对于彩屏的应用来说,那些大型的项目才会用到,对于小型项目一般用1602/12864取代它,因为彩屏的价格比较贵的。
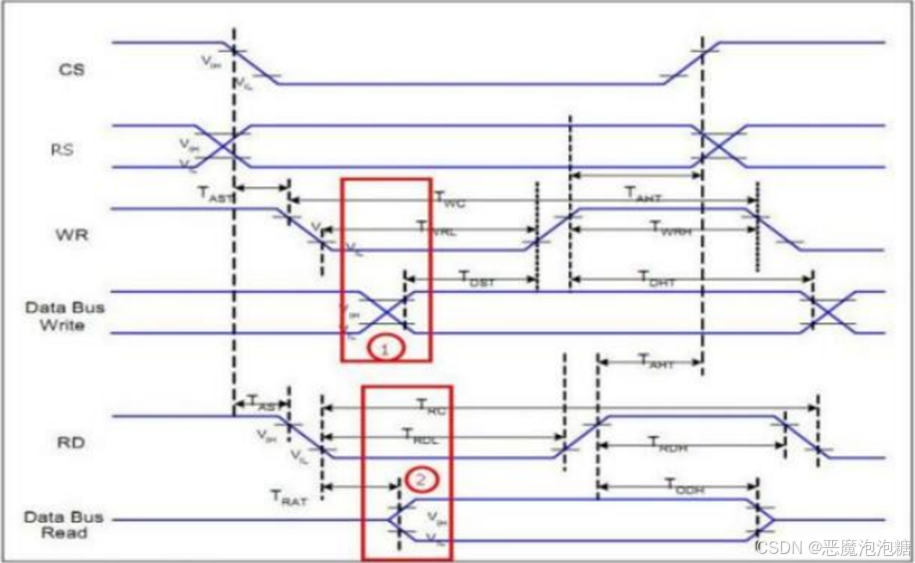
2. 8080时序图介绍

首先这个CS是片选信号,如果我们要进行读写操作的时候,需要将它拉低,选择这个片选,然后RS是控制数据和命令的写入,如果RS是低电平设置的是命令,如果RS是高电平设置的是数据,WR是写的选择,比如说我们要对数据进行写Write,刚开始WR是高电平的,高电平是取消写的功能,当WR跳变到低电平的时候,此时就开始写入我们的数据到彩屏当中,写入完成之后,又会切换到高电平,也就是上升沿,开始的时候是下降沿,变成了写,写完之后跳变到上升沿,高高电平的时候就去取消写的功能。
如果是读的话需要靠RD管脚,如果RD是高电平,是取消读功能,然后由高电平跳变到低电平,开始进行读,读取完成之后让它变成高电平,取消读,这个是读取数据的过程。
如果要写WR是低电平,如果要读RD是低电平。
3. 彩屏介绍

我们使用51单片机来控制TFTLCD彩屏,就需要单片机IO口来模拟8080时序,跟彩屏进行通信,可以看到上面彩屏实物图,是以2.6寸的,彩屏尺寸越大,分辨率越高,这个2.6存的分辨率是240*400,也就是一行有400个像素点,一列有400个像素点,显示的范围分辨率比较大的。
彩屏左上角有一些字体,比如TFT2.6-R61509V,这个2.6是尺寸大小,R61509V是彩屏驱动器型号。

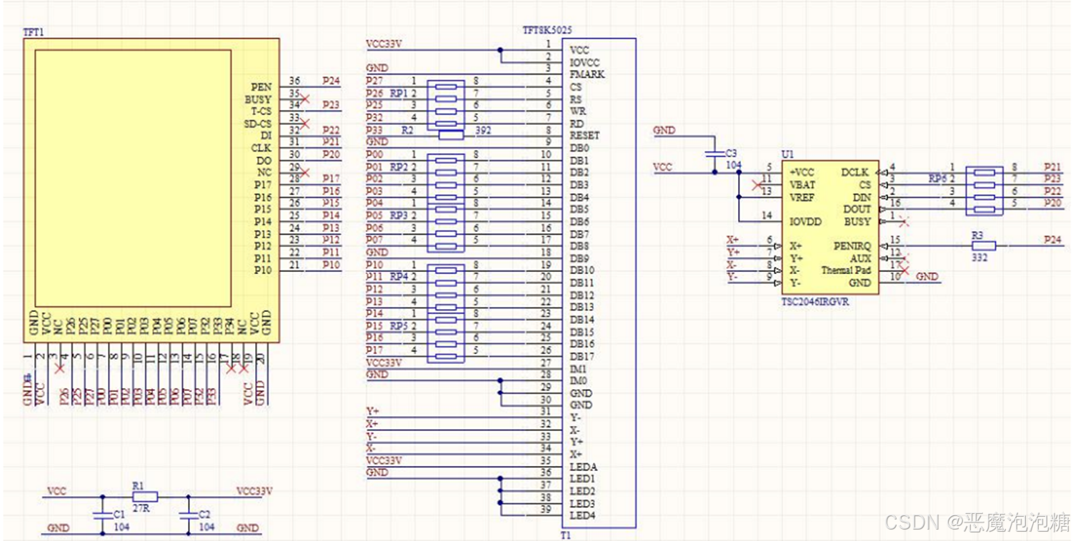
中间的排线是彩屏引出来的排线总共39个引脚,那么我们需要引出来对外的5个管脚,CS,RS,WR,RD,RESET,以及数据管脚,这个数据管脚是DB0-DB17,实际有效的是16位,从DB1开始到DB8,DB10 - DB17,其中DB0是无效的,当我们购买这个触摸屏的时候,会有对应的厂家给一个管脚定义功能,以及芯片的数据手册,以及初始化代码,所以这三份资料都会提供给我们,通过TFT内部引脚吧我们需要的一些引脚引入到排针上面。
更多推荐



所有评论(0)