基于stm32单片机的智能导盲系统的设计与实现
本文设计了一种基于STM32F103C8T6单片机的智能导盲系统,旨在提升视障人群的出行安全。系统集成超声波传感器、GPS模块、GSM通信模块等多种硬件,实现障碍物检测(SR04超声波)、位置定位(VK2828 GPS)、跌倒监测(ADXL345三轴传感器)、紧急求助(SIM800 GSM)等功能。通过OLED显示屏实时反馈环境信息,并配备5个功能按键实现安全距离设置、一键报警等操作。系统还包含光
一、摘要
为提高视障人群出行的安全性与便捷性,设计并实现一套基于STM32F103C8T6单片机的智能导盲系统。系统集成多种传感器与功能模块,能够实现环境感知、位置信息反馈、跌倒检测与紧急求助等功能。通过SR04超声波传感器实时监测前方障碍物,若距离小于设定的最小安全值,OLED屏幕将显示警示信息,并可通过按键调整该距离阈值。GPS模块实时采集当前位置的经纬度信息,并显示于屏幕。系统配备GSM模块SIM800,可发送短信、拨打电话用于紧急报警,同时支持麦克风与喇叭实现语音通话。光敏电阻结合LED灯在光线过暗时提供照明提示,三轴加速度传感器用于检测使用者是否发生跌倒,一旦确认跌倒,系统可自动报警。五个多功能按键分别对应报警设置、联系方式设置及一键求助等操作,极大地提高了系统的实用性与人性化设计。该系统具有功能全面、响应迅速、操作简便等优点,具备良好的应用前景。
二、系统整体方案设计
本课题设计的智能导盲系统以STM32F103C8T6单片机为核心控制器,集成多种传感器与通信模块,构建一个集障碍物检测、跌倒监测、光线感知、定位追踪、紧急求助与语音通信于一体的智能辅助系统。系统整体以提高视障人群出行安全性为目标,注重功能的实用性与模块之间的协同响应。
硬件部分包含SR04超声波传感器、ADXL345三轴传感器、5528光敏电阻、VK2828 GPS定位模块、SIM800 GSM模块、OLED液晶显示屏、蜂鸣器、LED灯、麦克风、喇叭等。超声波传感器用于实时监测前方障碍物距离,当小于设定阈值时发出预警;GPS模块获取当前经纬度信息,OLED屏幕显示定位信息;GSM模块用于向预设联系人发送短信、拨打电话实现一键报警;麦克风与喇叭结合实现语音通话功能;光敏电阻在环境过暗时自动点亮LED灯,增强安全感;三轴传感器用于监测跌倒状态,一旦识别出异常动作,系统自动进入报警模式。
控制部分通过STM32实现各传感器数据的实时处理与逻辑判断。设置5个功能按键与一个电源按键,分别用于设置最小安全距离、修改接收手机号、一键求助、取消报警及挂断电话。系统在通电启动后自动检测通信模块连接状态,并进入监测模式。整套设计强调操作简便、功能集成、响应快速,具备良好的可移植性与扩展能力。
三、系统总体设计
本系统旨在设计一套面向视障人群的智能导盲辅助设备,以STM32F103C8T6单片机作为核心控制单元,整合多种传感器与通信模块,实现对障碍物、环境光线、用户姿态、位置信息的实时感知与处理,同时具备紧急求救功能,提升视障者的出行安全性与自主能力。系统由感知模块、控制模块、通信模块、显示模块与人机交互模块组成,各功能模块通过STM32进行统一协调与逻辑判断,形成一个反应快速、运行稳定、功能丰富的智能导盲平台。
在感知层面,系统配置了SR04超声波传感器用于前方障碍物距离检测,ADXL345三轴加速度传感器实现跌倒状态识别,5528光敏电阻模块用于环境光照检测,VK2828 GPS模块提供实时位置信息支持。控制层通过STM32实现各传感器数据采集与分析,根据判断结果驱动相应的声光报警器件,并通过OLED屏幕显示反馈信息。通信层集成SIM800 GSM模块,可实现短信与电话通信功能,在突发事件中将位置信息发送至绑定手机号并拨打求救电话。
系统交互设计简洁,设置5个功能按键和1个电源按键,分别实现最小安全距离设置、手机号设定、一键求救、挂断通话与取消报警等操作。整体结构紧凑,逻辑清晰,各功能模块之间通信稳定,硬件资源分配合理,具备较好的可扩展性与可维护性。该设计综合考虑实用性、可靠性与人性化,为视障人群提供了一种高效、智能的导盲辅助解决方案。
四、硬件总体设计方案
本系统以STM32F103C8T6单片机为核心控制单元,围绕视障人群出行安全与实时求助需求,构建了一个集障碍检测、环境感知、定位追踪、语音通话与紧急报警于一体的智能导盲系统。STM32作为主控芯片,负责各类传感器的数据采集与处理、外设控制以及整体系统的逻辑协调与功能实现。
在环境感知方面,系统集成了SR04超声波传感器,用于实时检测前方障碍物的距离信息。当检测到物体接近设定的最小安全距离时,系统将自动触发蜂鸣器报警,并通过OLED屏幕显示当前距离信息。5528光敏电阻用于监测环境亮度变化,在光线过暗时系统自动点亮LED灯,为使用者提供视觉提示并提升夜间出行安全性。ADXL345三轴加速度传感器用于监测用户是否发生跌倒,一旦检测到跌倒状态,系统立即进入警报模式,并自动发送求助信息。
定位与通信模块方面,系统采用VK2828 GPS模块获取当前经纬度信息,OLED屏幕可同步显示位置信息,方便用户或他人确认所在位置。SIM800 GSM模块支持短信和通话功能,一旦发生异常情况,可通过预设按键实现一键求救,自动向指定号码发送位置短信,并拨打紧急电话。配合麦克风与喇叭,可实现双向语音通话,增强紧急联络的实效性与人机交互能力。
为提升用户控制的便利性,系统配备5个功能按键与1个电源按键。用户可通过按键设置最小安全距离、修改接收短信的手机号、执行求救、挂断通话或取消报警等操作,操作逻辑清晰、使用灵活,满足不同使用场景需求。
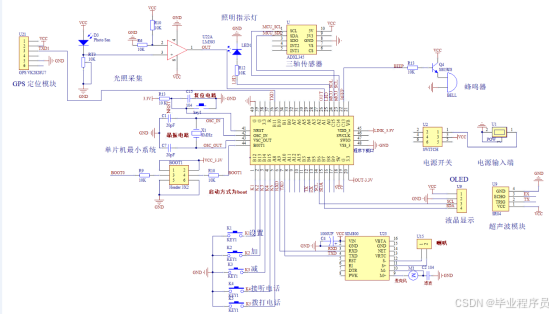
综合来看,该系统以STM32单片机为核心,整合传感器、定位、通信、报警及显示模块,构建了一个功能完备、响应灵敏的导盲辅助平台,具有良好的实用性与推广价值。其硬件的总体设计方案图如下:
图 3.1 硬件结构图
五、效果图

源码获取
下方名片联系我即可!!
大家点赞、收藏、关注、评论啦 、查看👇🏻获取联系方式👇🏻
更多推荐
所有评论(0)