基于STM32单片机多种波形信号发生器设计
本文设计了一种基于STM32F103C8T6单片机的多功能波形信号发生器,采用AD9833作为核心波形发生芯片,可输出正弦波、方波和三角波。系统通过OLED显示屏实时显示波形参数,5个功能按键实现波形切换及频率、幅值调节,RGB指示灯提供状态反馈。设计结构紧凑,支持Hz至MHz频率范围,具有串口通信扩展功能,适用于教学实验和电子调试。该信号发生器成本低、交互直观,输出信号稳定可靠,具有良好实用价值
一、摘要
随着数字电路和嵌入式系统的快速发展,波形信号发生器在电子测量、电路调试和实验教学等领域中的应用愈发广泛。传统信号源通常结构复杂、成本较高,功能单一,难以满足多场景下的灵活需求。为此,本文设计了一种基于STM32F103C8T6单片机的多功能波形信号发生器。系统以AD9833为核心波形发生芯片,结合OLED显示屏、按键输入模块、RGB状态指示及串口通信,实现正弦波、方波和三角波等基本波形的输出,同时支持频率、幅值等参数的动态调节与实时显示。
用户通过五个功能按键实现波形切换及参数设置,OLED屏幕实时显示当前信号的频率、幅值及波形类型,提升交互体验。系统输出的波形信号可通过外接示波器实时观察,确保波形精度与稳定性。电路设计紧凑,结构清晰,程序控制逻辑稳定,具备良好的扩展性和实用价值。本系统不仅适用于基础实验教学,也可作为低成本嵌入式信号源用于各类电子开发环境。
二、设计目标
本设计旨在开发一款基于STM32F103C8T6单片机的多功能波形信号发生器,面向教学实验、电路调试及便携测试等应用场景,具备标准波形输出、参数动态调节、人机交互及实时显示等核心功能。系统通过集成波形发生芯片、显示模块、输入按键和输出观察接口,实现低成本、高可用性的小型信号源解决方案。整体设计需达到以下功能目标:
(1)波形输出功能:以AD9833作为核心DDS波形发生器件,系统可稳定输出正弦波、方波和三角波三种基础波形,频率范围覆盖Hz至MHz,波形切换响应快速,输出信号适用于接入示波器进行实时观测与精度验证。
(2)参数调节功能:系统设有五个功能按键,分别用于波形类型选择、频率升降、幅值调整及操作模式切换,具备分级控制能力,支持细步长频率调节,满足对信号精度控制的需求。
(3)OLED显示功能:搭载0.96英寸OLED液晶屏作为人机交互界面,实时显示当前波形类型、频率数值、幅值、电压单位与占空比等关键信息,提供清晰直观的界面反馈,增强用户操作的直观性与便捷性。
(4)状态提示功能:通过一颗共阳极RGB三色LED灯进行状态指示,不同颜色对应不同波形类型或工作状态,辅助用户快速识别当前系统模式,提高交互效率和可视性。
(5)通信扩展功能:系统预留USART串口接口,为今后连接上位机进行波形配置、参数调试或远程控制提供扩展空间,增强系统的可升级性与工程兼容性。
整体电路设计遵循简洁、高效、易维护的原则,模块划分合理,软件逻辑清晰稳定,硬件选型兼顾实用性与成本控制,确保系统在运行中的可靠性与灵活性。该信号发生器不仅可作为教学实验平台,也可用于工程开发场景下的便携测试与调试工具,具有广阔的应用前景与推广价值。
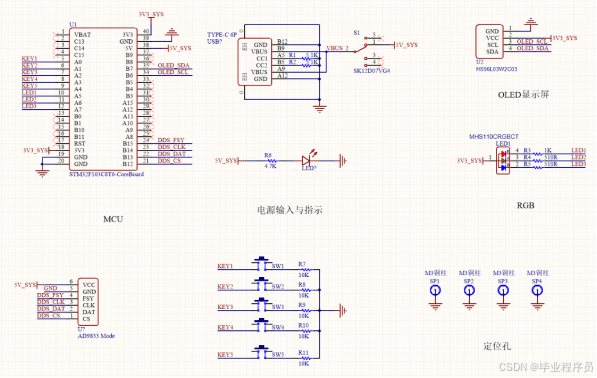
三、系统总体设计
根据设计目标,本系统以STM32F103C8T6单片机为核心控制器,结合AD9833数字波形发生芯片、OLED显示屏、LED状态指示灯和五个功能按键,构建一套功能完备、结构简洁的多波形信号发生系统。系统通过AD9833模块实现正弦波、方波、三角波等标准波形的输出显示到外接示波器上,支持频率、幅值等参数的动态调节,适用于电子测试与教学演示场景。用户通过按键可进行波形类型切换、频率调整、幅值修改等操作,操作逻辑清晰,便于快速配置目标输出信号。
OLED显示屏用于实时展示当前波形名称、输出频率、幅值和占空比等关键参数信息,增强了系统的可视化与用户体验。LED灯在不同状态下通过不同颜色指示当前系统是否处于设置、输出或等待状态,提升操作过程中的反馈直观性。系统还配置USART通信接口,为后续实现PC端联动控制、远程数据传输或调试功能提供扩展支持。
电源部分采用USB Type-C接口供电,具备良好的通用性和稳定性。系统可输出至示波器进行波形观测与参数校验,确保输出信号质量良好、频率稳定、波形完整,满足日常电子工程需求。系统总体结构如图2-1所示。
四、效果图

源码获取
下方名片联系我即可!!
大家点赞、收藏、关注、评论啦 、查看👇🏻获取联系方式👇🏻
更多推荐



所有评论(0)