51单片机——LCD1602
1、LCD1602液晶显示屏是一种字符型液晶显示模块,可以显示ASCII码的标准字符和一些其他的内置特殊字符,还可以有8个自定义的字符。2、可以显示16*2个字符,每个字符为5*7点阵。读/写选择(1为读,0为写)7、LCD1602指令集。
·
一、LCD1602
1、LCD1602液晶显示屏是一种字符型液晶显示模块,可以显示ASCII码的标准字符和一些其他的内置特殊字符,还可以有8个自定义的字符
2、可以显示16*2个字符,每个字符为5*7点阵
3、引脚及应用电路
| 引脚 | 功能 |
| VSS | 地 |
| VDD | 电源正极(4.5V~5.5V) |
| VO | 对比度调节电压 |
| RS | 数据/指令选择(1是数据,0是指令) |
| RW |
读/写选择(1为读,0为写) |
| E | 使能,1为数据有效,下降沿执行命令 |
| D0~D7 | 数据输入/输出 |
| A | 背光灯电源正极 |
| K | 背光灯电源负极 |

4、内部结构框图
5、存储器结构
DDRAM(数据显示区):
| 显示位置 | 1 | 2 | 3 | 4 | 5 | 6 | 7 | ... | 40 | |
| DDRAM地址 | 第一行 | 00H | 01H | 02H | 03H | 04H | 05H | 06H | ... | 27H |
| DDRAM地址 | 第二行 | 40H | 41H | 42H | 43H | 44H | 45H | 46H | ... | 67H |
CGRAM+CGROM(字模库):

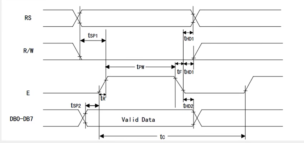
6、时序结构

7、LCD1602指令集
更多推荐



所有评论(0)