0600-双通道4种波形发生器(固定频率)-系统设计(51+点阵+DA0832+KEY3)
摘要:本设计采用51单片机为核心控制器,搭配两片DAC0832实现双通道波形输出,可独立配置正弦波、方波、三角波和锯齿波(固定频率7.5Hz)。系统通过点阵屏显示波形信息,由74HC595+74HC154驱动显示。采用按键切换波形类型,电路设计使用Altium Designer完成,仿真通过Proteus实现。程序通过定时器中断控制波形输出,支持双通道独立切换。系统具有完整的硬件设计和软件实现方案
功能描述
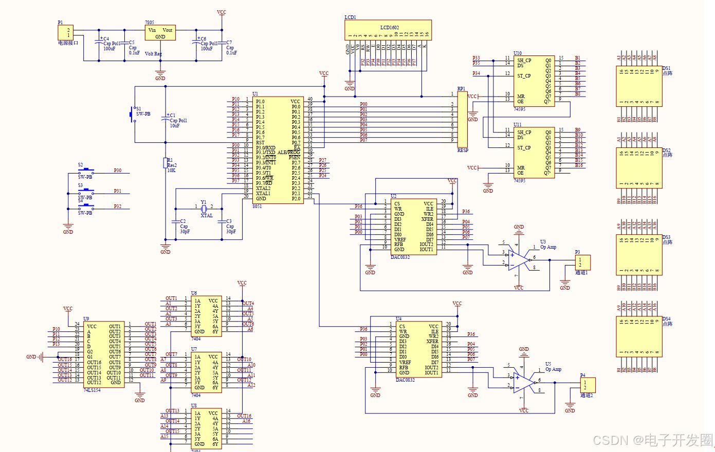
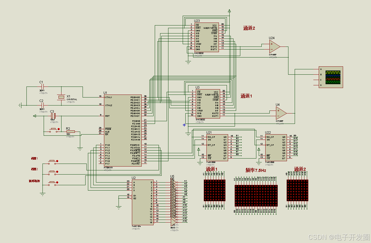
1、采用51单片机作为主控芯片;
2、采用两片DAC0832,双通道分别支持正弦/方波/三角波/锯齿波,频率固定7.5Hz;
3、双通道输出波形可以独立配置;
4、采用点阵屏显示波形、频率,由74HC595+74HC154驱动;
5、按键切换波形类型。
电路设计
采用Altium Designer作为电路设计工具。Altium Designer通过把原理图设计、PCB绘制编辑、拓扑逻辑自动布线、信号完整性分析和设计输出等技术的完美融合,为设计者提供了全新的设计解决方案,使设计者可以轻松进行设计,熟练使用这一软件必将使电路设计的质量和效率大大提高。

单片机管脚说明:
P0端口(P0.0-P0.7):P0口为一个8位漏极开路双向I/O口,每个引脚可吸收8TTL门电流。当P1口的管脚第一次写1时,被定义为高阻输入。P0能够用于外部程序数据存储器,它可以被定义为数据/地址的第八位。在FIASH编程时,P0 口作为原码输入口,当FIASH进行校验时,P0输出原码,此时P0外部必须被拉高。
P1端口(P1.0-P1.7):P1口是一个内部提供上拉电阻的8位双向I/O口,P1口缓冲器能接收输出4TTL门电流。P1口管脚写入1后,被内部上拉为高电平,可用作输入,P1口被外部下拉为低电平时,将输出电流,这是由于内部上拉的缘故。在FLASH编程和校验时,P1口作为第八位地址接收。
P2端口(P2.0-P2.7):P2口为一个内部上拉电阻的8位双向I/O口,P2口缓冲器可接收,输出4个TTL门电流,当P2口被写“1”时,其管脚被内部上拉电阻拉高,且作为输入。并因此作为输入时,P2口的管脚被外部拉低,将输出电流。这是由于内部上拉的缘故。P2口,用于外部程序存储器或16位地址外部数据存储器进行存取时,P2口输出地址的高八位。在给出地址“1”时,它利用内部上拉优势,当对外部八位地址数据存储器进行读写时,P2口输出其特殊功能寄存器的内容。P2口在FLASH编程和校验时接收高八位地址信号和控制信号。
P3端口(P3.0-P3.7):P3口管脚是一个带有内部上拉电阻的8位的双向I/O端口,可接收输出4个TTL门电流。当P3口写入“1”后,它们被内部上拉为高电平,并用作输入。作为输入端时,由于外部下拉为低电平,P3口将输出电流(ILL)。P3口同时为闪烁编程和编程校验接收一些控制信号。
仿真设计
采用Proteus作为仿真设计工具。Proteus是一款著名的EDA工具(仿真软件),从原理图布图、代码调试到单片机与外围电路协同仿真,一键切换到PCB设计,真正实现了从概念到产品的完整设计。

主程序设计
void main()
{
//设置定时器
TMOD|=0X01;
TH0=0xfc;//给定时器赋初值
TL0=0x18;
ET0=1;//打开定时器0中断允许
TR0=1;//打开定时器
EA=1;//打开总中断
while(1)
{
display();
if(!k1)//通道1
tongdao=0;
if(!k2)//通道2
tongdao=1;
if(!k3)//选择
{
if(tongdao)
{
if(boxing2<3)//通道2
boxing2++;
else
boxing2=0;
}
else
{
if(boxing1<3)//通道1
boxing1++;
else
boxing1=0;
}
while(!k3);
}
}
源文件获取

👇👇👇 点击、扫码、发送关键字“仪器”获取
更多推荐



所有评论(0)