替代WSTCC1130T双节锂电池充电IC集成均衡充功能
一款完整的双节锂离子电池充电器, 带电池正负极反接保护,采用恒定电压线性控制。的其他特点包括充电电流监控器、欠压闭锁、自动再充电和两个用于指示充电结束和输入电压接入的状态引脚。架构,加上防倒充电路,所以不需要外部检测电阻器和隔离二极管。调节,以便在大功率操作或高环境温度条件下对芯片温度加以限制。电源和适配器电源工作。动进入一个低电流状态,电池漏电流在。智能温控技术, 充电电流会随温度升。高而降低,
概述:
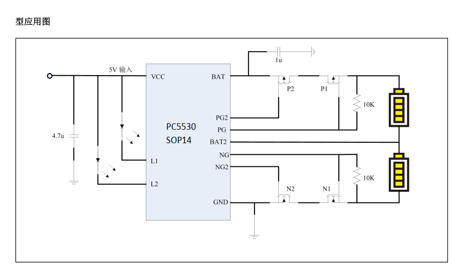
PC5530是一款完整的双节锂离子电池充电器, 带电池正负极反接保护,采用恒定电压线性控制。只需较少的外部元件数目使得PC5530便携式应用的理想选择。 PC5530可以适合 USB电源和适配器电源工作。由于采用了内部 PMOSFET 架构,加上防倒充电路,所以不需要外部检测电阻器和隔离二极管。热反馈可对充电电流进行自动调节,以便在大功率操作或高环境温度条件下对芯片温度加以限制。充满电压固定于 4.25V,内部预设 1A 充电电流。当电池达到 4.25V 之后,充电电流定值 1/10,PC5530将自动终止充电。当输入电压(交流适配器或 USB 电源)被拿掉时,PC5530 动进入一个低电流状态,电池漏电流在 3uA 以下。 PC5530的其他特点包括充电电流监控器、欠压闭锁、自动再充电和两个用于指示充电结束和输入电压接入的状态引脚。

特点:
n 涓流/恒流/恒压三段式充电, 内设充电
电流可达 1A;
n 支持对 0V 电池充电;
n 短路保护功能 ;
n 电池正负极反接保护;
n 智能温控技术, 充电电流会随温度升
高而降低,在不会出现过热保护的前
提下输出最大充电电流;
n 异常电池检测;
n 电池平衡充电
n 自动再充电;
n 高度集成, 极少的外围元器件。
应用领域:
两节锂电充电
更多推荐



所有评论(0)