电路中上拉电阻与下拉电阻的作用
摘要:上拉电阻可增强单片机引脚驱动能力,通过并联降低等效电阻提升输出电压(如从3.8V升至更高),并在开漏输出时将不确定信号钳位至高电平(如5V)。下拉电阻则可将不确定输入信号钳位至低电平(0V),配合可调电阻还能实现输入电压的动态调节。两种电阻通过改变电路阻抗特性,分别实现对输出/输入信号的稳定控制。
摘要:上拉电阻可增强单片机引脚驱动能力,通过并联降低等效电阻提升输出电压(如从3.8V升至更高),并在开漏输出时将不确定信号钳位至高电平(如5V)。下拉电阻则可将不确定输入信号钳位至低电平(0V),配合可调电阻还能实现输入电压的动态调节。两种电阻通过改变电路阻抗特性,分别实现对输出/输入信号的稳定控制。
一、上拉电阻的作用
1、上拉电阻的作用1:增强单片机输出引脚的驱动能力

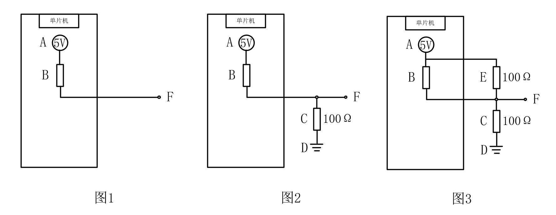
电路图1:
如图1所示:单片机某一引脚测量点输出电压F点为5V。
备注:A点为单片机电源电压5V,B点为单片机电源内阻,F点为单片机某一引脚测量点输出电压。
电路图2:在电路图1基础上,在F点处外接一个100Ω电阻C点,且D点接地,即为0V。
如图2所示:根据串联分压原理,B点与C点各分得一部分电压,若此时F点电压为3.8V,则B点电阻为:((5V-3.8V)V/3.8V)*100Ω = 30Ω。
备注:A点为单片机电源电压5V,B点为单片机电源内阻,C点为外接100Ω电阻,D点为接地点0V,F点为单片机某一引脚测量点输出电压。
电路图3:在电路图2基础上,此时若提升F点的输出电压,则在F点外接一个100Ω的上拉电阻E点。
如图3所示:B点与E点形成并联电路,整体阻值小于30Ω,其整体再与C点形成串联分压电路,则C点分得更多的电压,即大于3.8V,则此时F点电压大于3.8V,即通过上拉电阻增强了单片机输出引脚的驱动能力。
备注:A点为单片机电源电压5V,B点为单片机电源内阻,C点为外接100Ω电阻,D点为接地点0V,E点为外接100Ω上拉电阻,F点为单片机某一引脚测量点输出电压。
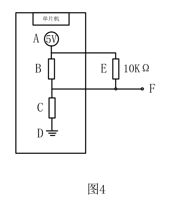
2、上拉电阻的作用2:将单片机引脚输出的不确定的信号钳位在高电平

电路图4:当单片机某一引脚为开漏输出时,B点等效电阻阻值无穷大,为了使F点输出高电平,则C点等效电阻阻值也为无穷大,D点为接地点,即0V,但此时F点输出的高电平信号具有不确定性,因而在F点处外接一个10KΩ的上拉电阻E点。
如图4所示:B点和E点构成并联电路,整体阻值约为10KΩ,其整体与C点又构成串联分压电路,由于C点等效电阻阻值为无穷大,则C点分得几乎全部5V电压,因而F点输出电压为5V,实现了上拉电阻E点将单片机引脚输出的不确定的信号钳位在高电平状态的目的。
备注:A点为单片机电源电压5V,B点为MOS1截止时的等效电阻,即无穷大,C点为MOS2截止时的等效电阻,即无穷大,D点为接地点0V,E点为外接的10KΩ上拉电阻,F点为单片机某一引脚测量点输出电压。
二、下拉电阻的作用
1、下拉电阻的作用1:将单片机引脚输入的不确定的信号钳位在低电平

电路图1:
如图1所示:I点为单片机某一引脚测量点输入电压,由于C点三极管阻值无穷大,因而I点输入低电平电压具有不确定性。
备注:A点为单片机电源电压5V,B点为单片机电源内阻,C点为三极管等效电阻阻值,D点为单片机内部接地点0V,I点为单片机某一引脚测量点输入电压。
电路图2:在图1的基础上,直接将I点接地,H点为接地点,即0V。
如图2所示:由于C点等效电阻阻值无穷大,则I点输入电压为0V,实现了将单片机引脚输入的不确定的信号钳位在低电平状态的目的。
备注:A点为单片机电源电压5V,B点为单片机电源内阻,C点为三极管等效电阻阻值,D点为单片机内部接地点0V,H点为接地点0V,I点为单片机某一引脚测量点输入电压。
电路图3:在图2的基础上,在I点和H点之间接一个100Ω电阻G点。
如图3所示:由于C点等效电阻阻值无穷大,且G点几乎分得的电压为0V,则I点输入电压为0V,实现了下拉电阻G点将单片机引脚输入的不确定的信号钳位在低电平状态的目的。
备注:A点为单片机电源电压5V,B点为单片机电源内阻,C点为三极管等效电阻阻值,D点为单片机内部接地点0V,G点为外接100Ω下拉电阻,H点为接地点0V,I点为单片机某一引脚测量点输入电压。
2、下拉电阻的作用2:动态调节单片机引脚输入的电压信号

电路图4:在图2的基础上,E点为外接电源电压5V,F点为可调节电阻器。
如图4所示:当动态调节电阻器的阻值,外接5V电源电压始终分配在F点的两端,则I点的电压始终为0V,因而该电路不具备实现单片机引脚输入电压的可调节性。
备注:A点为单片机电源电压5V,B点为单片机电源内阻,C点为三极管等效电阻阻值,D点为单片机内部接地点0V,E点为外接电源电压5V,F点为可调节电阻器,H点为接地点0V,I点为单片机某一引脚测量点输入电压。
电路图5:在图3的基础上,E点为外接电源电压5V,F点为可调节电阻器。
如图5所示:当动态调节电阻器的阻值,F点与G点构成串联分压电压,则I点输入电压具有可调节性,因而该电路具备实现单片机引脚输入电压的动态调节。
备注:A点为单片机电源电压5V,B点为单片机电源内阻,C点为三极管等效电阻阻值,D点为单片机内部接地点0V,E点为外接电源电压5V,F点为可调节电阻器,G点为外接100Ω下拉电阻,H点为接地点0V,I点为单片机某一引脚测量点输入电压。
更多推荐



所有评论(0)