维得WD1511:安防摄像头(IPC)的步进马达及IR-CUT驱动芯片
WD1511是一款专为安防摄像头IR-CUT控制设计的单片集成驱动芯片,具有3-18V宽电压工作范围(耐压30V),可识别1.8V逻辑输入电平。芯片集成H桥驱动电路,支持多种控制模式,提供300mA持续/500mA峰值输出电流,满足红外滤光片驱动需求。采用SOT23-6小型封装,具备低功耗(待机0.2mA)和浪涌保护功能,适用于空间受限的摄像头模组设计。
·
应用领域:安防摄像头(IPC)的步进马达及IR-CUT驱动
一、功能介绍
WD1511 是一款专为IR-CUT控制设计的单片集成驱动芯片,内部集成 微控制电路 和 双向H桥驱动电路,可实现红外滤光片的精准开关控制。芯片支持3V至18V宽电压工作,最大耐压达30V,可识别低至1.8V的逻辑输入电平,具备多种控制模式。采用小型化SOT23-6封装,适用于空间紧凑的摄像头模组设计,在实现滤光片可靠切换的同时,保障系统低功耗与长时间稳定运行。
二、基本特性
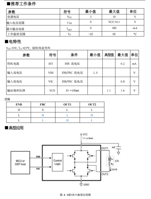
- 宽电源电压范围:3V–18V,最大耐压可达30V,适配多种供电场景
- 逻辑输入兼容:可识别1.8V输入逻辑电平,无需额外电平转换电路
- 多控制模式:支持前进/后退/停止/待机多种控制模式,满足滤光片切换需求
- 输出电流能力:持续输出300mA,峰值输出可达500mA,适配主流IR-CUT驱动
- 低功耗设计:极低待机电流,典型值仅0.2mA,降低系统功耗
- 内置保护机制:集成浪涌电流吸收功能,提升芯片及系统可靠性
- 小型化封装:采用SOT23-6封装,节省PCB空间,适配紧凑摄像头模组
三、基本参数

更多推荐
所有评论(0)