NS6119 电动车仪表车灯DC-DC降压芯片 100V 1.5A
NS6119是一款宽电压输入(8V-100V)的异步降压DC-DC稳压芯片,采用ESOP8封装。该芯片内置高边NMOS管,提供1.5A输出电流能力,支持150KHz开关频率和可调输出电压。具有电流模式控制、快速动态响应、软启动功能,以及过温、短路、欠压等多重保护。适用于GPS追踪器、车载电源、LED驱动等场景,具备低待机功耗和使能控制特性。
·
NS6119 是一款支持宽电压输入的异步降压 DC-DC 稳压芯片。内置有一个高边 NMOS 管能够提 供 1.5A 的输出电流能力。
NS6119 采用电流模式的 环路控制原理,实现了快速的动态响应。芯片还集 成有过温保护,输出短路保护和输入欠压保护等多 重保护功能。
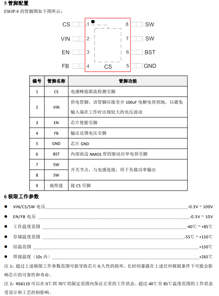
NS6119 采用 ESOP8 的标准封装。
应用范围 GPS 追踪器 车载恒压电源 高压输入 LED 灯应用电源灯等
宽输入电压范围:8V-100V
最大 1.5A 输出电流
电感最大峰值电流可调节
低待机功耗
外置 FB 引脚,输出电压可调节
支持 EN 使能控制
异步降压开关频率 150KHz
内置软启动
内置过温保护、输出短路保护
封装形式 ESOP8





更多推荐
所有评论(0)