RM9003B 线性LED恒流驱动控制芯片
RM9003B单通道LED恒流驱动控制芯片
·
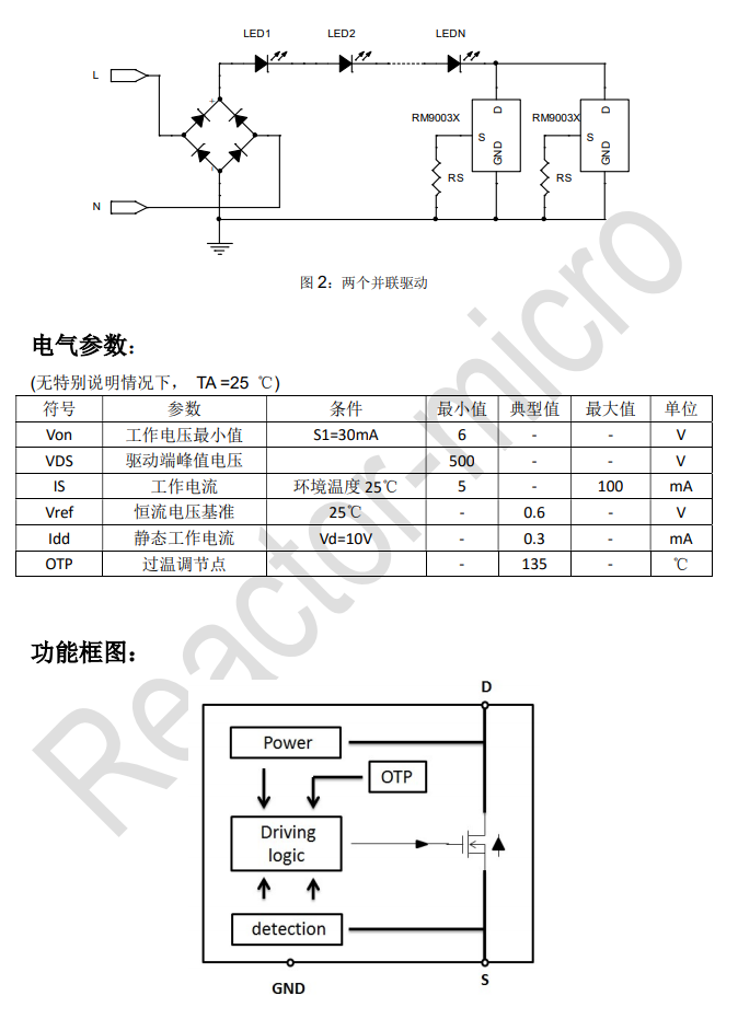
RM9003B单通道LED恒流驱动控制芯片, 可直接驱动高压LED灯串,输出电流由外接电阻设置为5mA~100mA,且输出电流恒定在设定值。芯片系统结构简单,外围元器件极少,线路简单。
应用领域:
LED 日光灯管 T5/T8/T10…
LED 灯丝灯/球泡灯/蜡烛灯…
其它小功率的 LED 电光源
外围电路简单,无需磁性元件
多芯片串联或并联应用
芯片可与 LED 共用 PCB 板
LED 电流可外部设定
芯片应用线路无 EMI 问题
内置 500V 高压 MOS
芯片具有过温调节能力
(过温点 135 度)
采用 ESOP8、TO252、SOT89-3 封装




更多推荐
所有评论(0)