常见的电平转换电路合集
常见的电平转换电路
在电子电路开发过程中,我们总会遇到一些电平不匹配的情况。如果电平不匹配,往往会超出器件的耐受电压,因此电平转换在电子电路设计中也是非常重要的,下面来介绍一些常见的电平转换电路!
一、电阻分压电平转换
通过电阻串联分压,降低输入信号的电平,来实现电平转换。
特点:
1.电路简单,成本低。2.只适合高压到低电压单向传输。3.驱动能力差,输出阻抗高,转换速度低。4.适合静态电平转换。
拓展点:在一些模拟量转换场合,如MCU的ADC采集5V或者12V的模拟量信号。通过电阻的分压加上运放跟随电路,即可做模拟量信号的采集。
二、使用二极管做电平转换
工作过程分析
1.当IN_5V输出5V时,D1截止,3.3V_MCU的电平被R1上拉到3.3V。
2.当IN_5V输出0V时,D1导通,3.3V_MCU的电平为D1的管压降,默认为低电平。所以D1最好选用肖特基二极管,因为压降低。更接近我们想要的0V。
特点
1.电路简单,成本低。2.漏电流小,可以单向防倒灌。3.驱动能力和 转换速度不行。
三、使用三极管(MOS管)做电平转换
1.当VIN=0,三极管(MOS)截止,VOUT被上拉到5V,VOUT输出5V
2.当VIN=1,三极管(MOS)导通,VOUT通过三极管(MOS)下拉到GND,VOUT输出为低电平(接近0V)
注意:
1.此处Q1三极管和MOS都可以,当VIN电平比较低的时候,建议使用三极管做电平转换,因为MOS为压控器件,需要电压导通门槛。
2.如果要转换速率比较快的电平。MOS管的效果会好一点。
3.在使用三极管的做电平转换时候,需要提高三极管的开关速度,可以在三极管b级处加一个加速电容,如图中的C1
特点
1.成本低,电路简单。2.只能单向电平转换。
四、MOS电平转换
工作过程分析
1.SDA1=3.3V时,MOS管Q1 的VGS=0,MOS管关闭,SDA2被上拉电阻R2拉到5V。
2.SDA1=0V时,MOS管Q1的VGS=3.3V,MOS导通,SDA2通过MOS导通,拉到0V。
3.SDA2=5V时,MOS管VGS=0,MOS关闭,SDA1被R1拉到3.3V。
4.SDA2=0V时,MOS管关闭,SDA1的电平通过MOS的体二极管拉低到低电平,MOS管的VGS约为3.3V,MOS管导通。SDA1通过MOS管导通,又拉低了SDA1的电平
特点
1.可用于双向电平转换。2.导通压降也低,传输速率可以达到很高,选择开关特性好的MOS
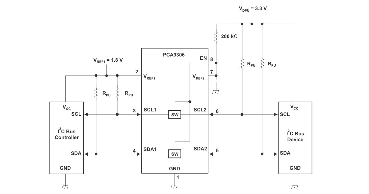
五、专用的电平转换IC
如TI的PCA9306DCTR

特点:1.专门的的电平转换芯片可以支持高速率,可靠。2.内部集成MOS管阵列与驱动电路,自动识别信号方向。3.成本高点。
六、总结
选择电平转换方案,根据实际使用情况需要考虑一下几个因素,电平匹配,漏电流,驱动能力,转换速率,成本,可靠性。选择性价比最高的方案。
链接https://mp.weixin.qq.com/s/dVFtlkHH15bFM4CxtvmOCQ
更多推荐
所有评论(0)